ASTM A105 Tee – Overview
ASTM A105 Tee is a forged carbon steel pipe fitting designed to connect three pipe sections at 90-degree angles, allowing for fluid redirection or flow branching. It is manufactured under the ASTM A105 specification, which covers forged carbon steel components for ambient- and high-temperature service in pressure systems.
Key Features:
- Material: ASTM A105 Carbon Steel
- Type: Equal Tee / Reducing Tee
- Service: Ambient & High-Temperature
- Connection: Butt Weld / Socket Weld / Threaded
- Sizes: ½” to 48″ (or as per client requirement)
- Standard: ANSI B16.9, B16.11
ASTM A105 Tee Dimensions – Standard Reducing & Equal
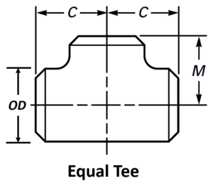
ASTM A105 Equal Tee

| NOMINAL PIPE SIZE | OUTSIDE DIAMETER | CENTER TO END | LENGTH |
|---|---|---|---|
| Inch. | OD | C | M |
| 1/2 | 21.3 | 25 | 25 |
| 3/4 | 26.7 | 29 | 29 |
| 1 | 33.4 | 38 | 38 |
| 1 1/4 | 42.2 | 48 | 48 |
| 1 1/2 | 48.3 | 57 | 57 |
| 2 | 60.3 | 64 | 64 |
| 2 1/2 | 73 | 76 | 76 |
| 3 | 88.9 | 86 | 86 |
| 3 1/2 | 101.6 | 95 | 95 |
| 4 | 114.3 | 105 | 105 |
| 5 | 141.3 | 124 | 124 |
| 6 | 168.3 | 143 | 143 |
| 8 | 219.1 | 178 | 178 |
| 10 | 273.1 | 216 | 216 |
| 12 | 323.9 | 254 | 254 |
| 14 | 355.6 | 279 | 279 |
| 16 | 406.4 | 305 | 305 |
| 18 | 457.2 | 343 | 343 |
| 20 | 508 | 381 | 381 |
| 22 | 559 | 419 | 419 |
| 24 | 610 | 432 | 432 |
| 26 | 660 | 495 | 495 |
| 28 | 711 | 521 | 521 |
| 30 | 762 | 559 | 559 |
| 32 | 813 | 597 | 597 |
| 34 | 864 | 635 | 635 |
| 36 | 914 | 673 | 673 |
| 38 | 965 | 711 | 711 |
| 40 | 1016 | 749 | 749 |
| 42 | 1067 | 762 | 711 |
| 44 | 1118 | 813 | 762 |
| 46 | 1168 | 851 | 800 |
| 48 | 1219 | 889 | 838 |
| All Dimensions are in mm | |||
ASTM A105 Unequal Tee

| NOMINAL PIPE SIZE | OUTSIDE DIAMETER | CENTER TO END | ||
|---|---|---|---|---|
| Inch | D | P | C | M |
| 1/2 x 3/8 | 21.3 | 17.1 | 25 | 25 |
| 1/2 x 1/4 | 21.3 | 13.7 | 25 | 25 |
| 3/4 x 1/2 | 26.7 | 21.3 | 29 | 29 |
| 3/4 x 3/8 | 26.7 | 17.1 | 29 | 29 |
| 1 x 3/4 | 33.4 | 26.7 | 38 | 38 |
| 1 x 1/2 | 33.4 | 21.3 | 38 | 38 |
| 1 1/4 x 1 | 42.2 | 33.4 | 48 | 48 |
| 1 1/4 x 3/4 | 42.2 | 26.7 | 48 | 48 |
| 1 1/4 x 1/2 | 42.2 | 21.3 | 48 | 48 |
| 1 1/2 x 1 1/2 | 48.3 | 42.2 | 57 | 57 |
| 1 1/2 x 1 | 48.3 | 33.4 | 57 | 57 |
| 1 1/2 x 3/4 | 48.3 | 26.7 | 57 | 57 |
| 1 1/2 x 1/2 | 48.3 | 21.3 | 57 | 57 |
| 2 x 1 1/2 | 60.3 | 48.2 | 64 | 60 |
| 2 x 1 1/4 | 60.3 | 42.2 | 64 | 57 |
| 2 x 1 | 60.3 | 33.4 | 64 | 51 |
| 2 x 3/4 | 60.3 | 26.7 | 64 | 44 |
| 2 1/2 x 2 | 73 | 60.3 | 76 | 70 |
| 2 1/2 x 1 1/2 | 73 | 48.3 | 76 | 67 |
| 2 1/2 x 1 1/4 | 73 | 42.2 | 76 | 64 |
| 2 1/2 x 1 | 73 | 33.4 | 76 | 57 |
| 3 x 2 1/2 | 88.9 | 73 | 86 | 83 |
| 3 x 2 | 88.9 | 60.3 | 86 | 76 |
| 3 x 1 1/2 | 88.9 | 48.3 | 86 | 73 |
| 3 x 1 1/4 | 88.9 | 42.2 | 86 | 70 |
| 3 1/2 x 3 | 101.6 | 88.9 | 95 | 92 |
| 3 1/2 x 21/2 | 101.6 | 73 | 95 | 89 |
| 3 1/2 x 2 | 101.6 | 60.3 | 95 | 83 |
| 3 1/2 x 1 1/2 | 101.6 | 48.3 | 95 | 79 |
| 4 x 3 1/2 | 114.3 | 101.6 | 105 | 102 |
| 4 x 3 | 114.3 | 88.9 | 105 | 98 |
| 4 x 2 1/2 | 114.3 | 73 | 105 | 95 |
| 4 x 2 | 114.3 | 60.3 | 105 | 89 |
| 4 x 1 1/2 | 114.3 | 48.3 | 105 | 86 |
| 5 x 4 | 141.3 | 114.3 | 124 | 117 |
| 5 x 3 1/2 | 141.3 | 101.6 | 124 | 114 |
| 5 x 3 | 141.3 | 88.9 | 124 | 111 |
| 5 x 2 1/2 | 141.3 | 73 | 124 | 108 |
| 5 x 2 | 141.3 | 60.3 | 124 | 105 |
| 6 x 5 | 168.3 | 141.3 | 143 | 137 |
| 6 x 4 | 168.3 | 114.3 | 143 | 130 |
| 6 x 3 1/2 | 168.3 | 101.6 | 143 | 127 |
| 6 x 3 | 168.3 | 88.9 | 143 | 124 |
| 6 x 2 1/2 | 168.3 | 73 | 143 | 121 |
| 8 x 6 | 219.1 | 168.3 | 178 | 168 |
| 8 x 5 | 219.1 | 141.3 | 178 | 162 |
| 8 x 4 | 219.1 | 114.3 | 178 | 156 |
| 8 x 3 1/2 | 219.1 | 101.6 | 178 | 152 |
| 10 x 8 | 273.1 | 219.1 | 216 | 203 |
| 10 x 6 | 273.1 | 168.1 | 216 | 194 |
| 10 x 5 | 273.1 | 141.3 | 216 | 191 |
| 10 x 4 | 273.1 | 114.3 | 216 | 184 |
| 12 x 10 | 323.9 | 273.1 | 254 | 241 |
| 12 x 8 | 323.9 | 219.1 | 254 | 229 |
| 12 x 6 | 323.9 | 168.3 | 254 | 219 |
| 12 x 5 | 323.9 | 141.3 | 254 | 216 |
| 14 x 12 | 355.6 | 323.9 | 279 | 270 |
| 14 x 10 | 355.6 | 273.1 | 279 | 257 |
| 14 x 8 | 355.6 | 219.1 | 279 | 248 |
| 14 x 6 | 355.6 | 168.3 | 279 | 238 |
| 16 x 14 | 406.4 | 355.6 | 305 | 305 |
| 16 x 12 | 406.4 | 323.9 | 305 | 295 |
| 16 x 10 | 406.4 | 273.1 | 305 | 283 |
| 16 x 8 | 406.4 | 219.1 | 305 | 273 |
| 16 x 6 | 406.4 | 168.3 | 305 | 264 |
| 18 x 16 | 457 | 406.4 | 343 | 330 |
| 18 x 14 | 457 | 355.6 | 343 | 330 |
| 18 x 12 | 457 | 323.9 | 343 | 321 |
| 18 x 10 | 457 | 273.1 | 343 | 308 |
| 18 x 8 | 457 | 219.1 | 343 | 298 |
| 20 x 18 | 508 | 457 | 381 | 368 |
| 20 x 16 | 508 | 406.4 | 381 | 356 |
| 20 x 14 | 508 | 355.6 | 381 | 356 |
| 20 x 12 | 508 | 323.9 | 381 | 346 |
| 20 x 10 | 508 | 273.1 | 381 | 333 |
| 20 x 8 | 508 | 219.1 | 381 | 324 |
| 22 x 20 | 559 | 508 | 419 | 406 |
| 22 x 18 | 559 | 457 | 419 | 394 |
| 22 x 16 | 559 | 406.4 | 419 | 381 |
| 22 x 14 | 559 | 355.6 | 419 | 381 |
| 22 x 12 | 559 | 323.9 | 419 | 371 |
| 24 x 10 | 559 | 273.1 | 419 | 359 |
| 24 x 22 | 610 | 559 | 432 | 432 |
| 24 x 20 | 610 | 508 | 432 | 432 |
| 24 x 18 | 610 | 457 | 432 | 419 |
| 24 x 16 | 610 | 406.4 | 432 | 406 |
| 24 x 14 | 610 | 355.6 | 432 | 406 |
| 24 x 12 | 610 | 323.9 | 432 | 397 |
| 24 x 10 | 610 | 273.1 | 432 | 384 |
| All Dimensions are in mm | ||||
Applications:
-
Oil & Gas Pipelines
-
Petrochemical Plants
-
Power Generation
-
Marine & Offshore
-
Industrial Process Lines
Advantages:
-
High strength and durability
-
Excellent weldability
-
Cost-effective for high-pressure systems
-
Corrosion resistance (when properly coated or used in compatible systems)






Reviews
There are no reviews yet.