Stainless Steel Flange

Stainless Steel Flange

Manufacturer, Supplier & Exporter

Emirerri Steel is a trusted manufacturer, supplier, and exporter of Stainless Steel Flanges that meet international standards such as ASME, ANSI, DIN, EN, and BS. Our precision-engineered flanges ensure superior performance, durability, and leak-proof connections across diverse piping systems and industries including petrochemical, oil & gas, shipbuilding, water treatment, and power generation.

We offer stainless steel flanges in a wide range of types, materials, pressure ratings, and sizes, suitable for both standard and customized applications.

Types of Stainless Steel Flanges

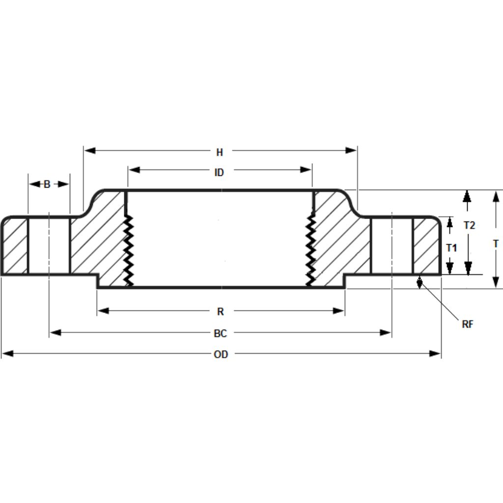
1. Threaded Flanges

Threaded flanges (Screwed flanges) are designed with threads inside the flange bore that fit on the external thread of a pipe. They are ideal for small-diameter, high-pressure applications where welding is not feasible.

Applications: Cooling water lines, fire protection systems, and air & water services.

stainless steel threaded flange
Stainless Steel Threaded Flange
Threaded Flange Diagram

2. Socket Weld Flanges

Socket-weld flanges are used for small-diameter, high-pressure pipes. The pipe is inserted into the socket end and fillet welded, creating a smooth bore and better flow characteristics.

Applications: Hydraulic lines, chemical processing units, and compact piping systems.

stainless steel socket weld flange
Stainless Steel Socket Weld Flange
Socket Weld Flanges Diagram

3. Slip-On Flanges

Slip-on flanges are easy to install and weld onto the pipe. They have a low hub and are suitable for low-pressure applications where quick assembly is needed.

Applications: Low-pressure pipelines, water lines, and gas pipelines.

Stainless Steel Slip on Flange
Stainless Steel Slip on Flange
Slip on Flange Diagram

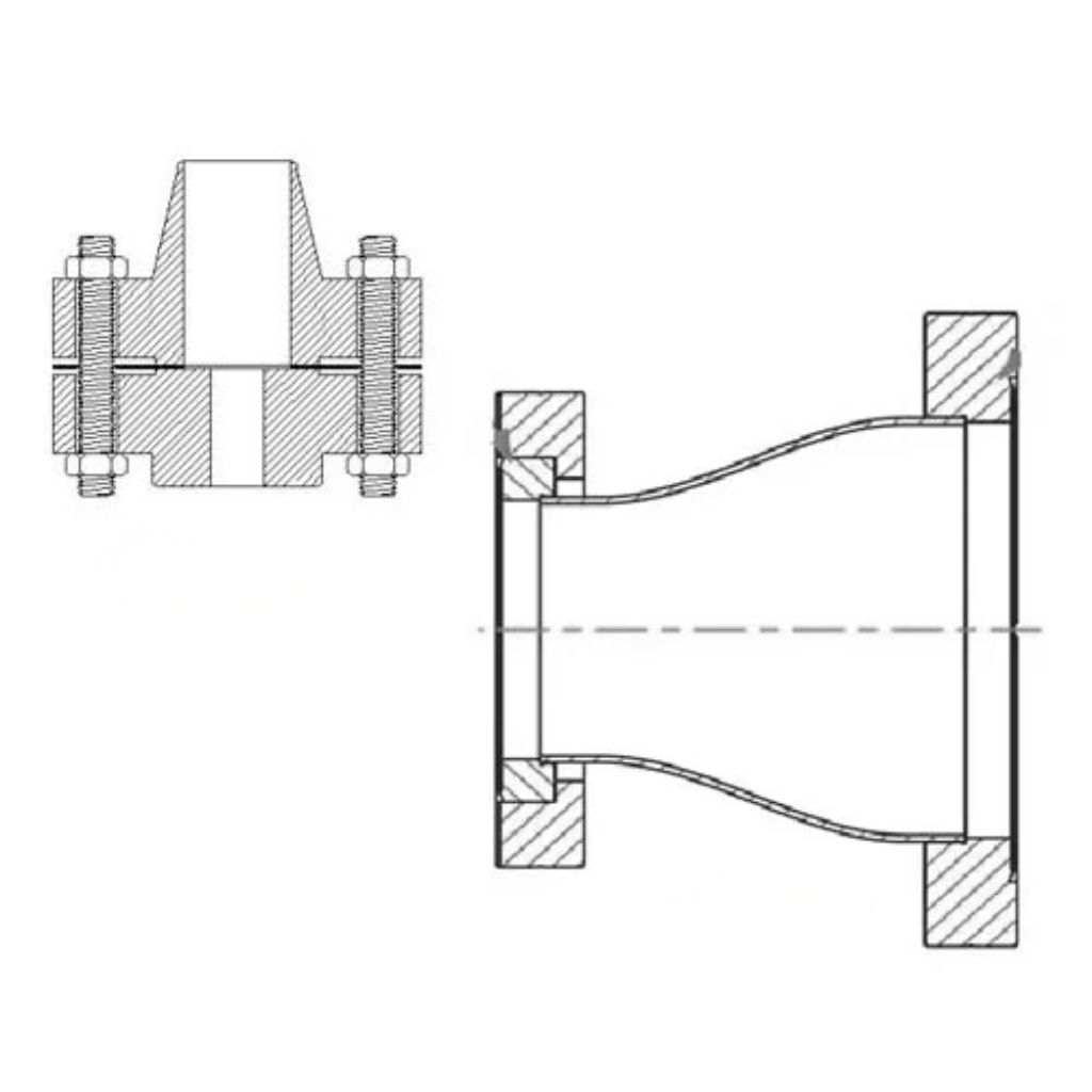
4. Lap Joint Flanges

Lap joint flanges are used with stub ends and are ideal for systems that require frequent dismantling and inspection. They allow easy alignment of bolt holes and reduce overall maintenance cost.

Applications: Food, pharmaceutical, and chemical industries.

ss lap joint flange
Stainless Steel Lap Joint Flange
Lap Joint Flange Diagram

5. Weld Neck Flanges

Weld neck flanges are designed for high-pressure and high-temperature applications. They have a long tapered hub that provides reinforcement and ensures smooth stress distribution.

Applications: Refineries, thermal power plants, and chemical processing systems.

Stainless Steel weld neck flange
Stainless Steel Weld Neck Flange
Weld Neck Flange Diagram

6. Blind Flanges

Blind flanges are solid discs used to close the end of a piping system or a pressure vessel opening. They can handle high-pressure conditions and allow easy access for inspection or maintenance.

Applications: Pressure vessel openings, storage tanks, and process systems.

Stainless Steel Blind Flange
Stainless Steel Blind Flange
Blind Flange Diagram

7. Reducing Flange

Reducing flanges are used to connect pipes of different diameters. They maintain smooth fluid flow and are available in various pressure ratings and materials.

Applications: Pipeline modifications, flow control systems, and process equipment.

Stainless Steel Reducing Flange
Stainless Steel Reducing Flange
Reducing Flange Diagram

8. Expander Flange

Expander flanges are similar to weld neck flanges but have a larger bore on one end, allowing connection of a larger diameter pipe. They serve as a cost-effective alternative to using separate reducers.

Applications: Pump and compressor connections, process piping systems.

Stainless Steel Expander Flanges
Stainless Steel Expander Flanges
Expander Flange Diagram

9. Flangeolet / Weldoflange / Nippoflange

These are special flanges that serve as branch connections from a main pipe. They combine the features of a weld neck flange and an olet, ensuring strong and leak-proof branch connections.

Applications: Piping manifolds, high-pressure lines, and chemical processing units.

Stainless Steel Flangeolet
Stainless Steel Flangeolet
Flangeolet Diagram
Stainless Steel Weldoflange
Stainless Steel Weldoflange
Weldoflange Diagram
Stainless Steel Nippoflange
Stainless Steel Nippoflange
Nippoflange

Flange Ratings / Pressure Classes

Our stainless steel flanges are available in multiple pressure ratings and classes:

ASME/ANSI B16.5 Formula
PT = (Pr x SI) / 8750
  • PT = rated working pressure in psig for specified material at temperature T.
  • Pr = Pressure rating as per Class in Psig.
  • SI = Selected stress in Psig for specified material at Temperature T.
  • Refer to ASME B16.5 Annex B for the detailed calculation of Pressure Ratings.
Flanges pressure rating in psig for common carbon steel ASME flanges
( A105 / A350 LF2 / A350 LF3 / A350 LF6)
Temperature (F°)150#300#400#600#900#1500#2500#
-20 to 1002857409851480222037056170
2002606809051360203533955655
3002306558701310196532705450
4002006358451265190031705280
5001706058051205181030155025
6001405707551135170528404730
6501255507301100165027454575
7001105307101060159026554425
750955056751015152025354230
80080410550825123520553430
8506532042564095515952655
9005023030546069011501915
950351351852754106851145
10002085115170255430715

 

Flange Sizes

  • Nominal Pipe Size (NPS): ½” to 48”

  • DN Size Range: DN15 to DN1200

  • Thickness: Schedule 10 to Schedule XXS (or as per client requirement)

Key Features

  • Corrosion and oxidation resistance

  • Leak-proof and durable construction

  • Easy installation and maintenance

  • Suitable for high pressure and temperature

  • Available in custom sizes and surface finishes

Applications

  • Oil & Gas Pipelines

  • Petrochemical Industries

  • Power Generation Plants

  • Water Treatment Systems

  • Marine & Offshore Applications

  • Food & Pharmaceutical Industries

Get A Quote


Please enable JavaScript in your browser to complete this form.
Name

This will close in 0 seconds

Download Brochure


    This will close in 0 seconds

    Scroll to Top